
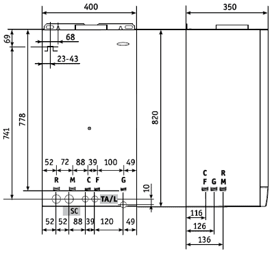
В данном разделе Вы можете ознакомиться с габаритными размерами котлов и расположением патрубков подключения. Подобная информация поможет Вам разместить котел в наиболее удобном для Вас месте в помещении.
В случае, если Вам необходима более полная информация о котлах, Вы можете скачать инструкцию по эксплуатации или написать нам.